您好,欢迎来到富联娱乐消防-富联娱乐用电-电气火灾监控系统-富联娱乐 电子官网!

双电源自动转换开关当前位置:富联娱乐 > 电气类>双电源自动转换开关>双电源自动转换开关DHMQ系列

双电源自动转换开关DHMQ系列

型号:双电源自动转换开关DHMQ

产品简介:

自动转换开关(DHMQ),是集开关与逻辑控制于一体、真正实现机电一体化的自动转化开关

附加功能:




  • 产品介绍:

    双电源自动转换开关

    名称:DHMQ 系列双电源自动转换开关

    型号:DHMQ-100/4P ,DHMQ-250/4P,DHMQ-630/4P

    工作电压额定电压—440V

    工作频率:50Hz

    工作电流:约定发热电流—1600A


    详细内容阅读具体参数

    相关资料:双电源自动转换开关简介



    产品介绍:
    自动转换开关(DHMQ),是集开关与逻辑控制于一体、真正实现机电一体化的自动转化开关,双电源切换开关使用于交流50HZ、额定电压至440v、约定发热电流至1600A的工企业配电设备中,具有电压检测、通信接口、电气机械互锁等功能;可实现全自动、远程控制、强制置“0”、紧急手动操作,广泛用于供电系统的主用电源与备用电源的自动转换或两台负载设备的自动转换及安全隔离等。开关由控制线路板发出各种逻辑命令来管理电机,由电机带动开关主体部分的操作机构,快速接通分段电路或进行电路转换,通过明显可见状态实现安全隔离

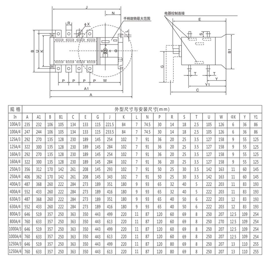
    自动转换开关结构说明


    型号说明:

    DHMQ - 100 / 4P / 25A / 0

    1      2     3    4    5

    1、自动转换开关

    2、壳体等级电流(A) (100、250、630)

    3、开关级数:4级

    4、额定工作电流:16A-3200A

    5、开关功能:0-全自动(可省略); 1-全自动+强置“0”; 2-全自动+远控



    应用范围 :

    产品广泛应用于消防、医院、银行、高层建筑等不允许断电的重要的供电场所的输、配电系统及自动化系统。

    开关结构说明:
    ·电气钥匙锁:控制开关内部控制线路电源,电气锁开启时,开关可实现全自动、运控、强置“0”操作:电气锁关闭时,开关只能手动操作。
    ·操作手柄:使用操作手柄手动操作时,必须先交闭电气锁。
    ·机构挂锁:检修专用,即先用操作手柄使开关处于“0”挡位置,再接起挂锁机构并上挂锁,方可进行检修(接起挂锁则切断开关内部控制电源)
    ·指示件:指示开关的工作状态位置(I、0、II)。


    功能特点 :

    富联娱乐
自动转换开关


    1、DHMQ1自动转换开关(A.T.S,是集开关与逻辑控制于一体,无需外加控制器真正实现机电一体化的自动转换开关,具有电压检测、频率检测、电气、机械互锁等功能,可实现自动、电动远程、紧急手动控制。

    2、操作是由逻辑控制板以各种逻辑命令来管理电机、变速箱的操作运行来实现。电机电动开关弹簧蓄能,瞬时释放的加速机构,快速接通分断电路或进行电路转换,通过明显可见状态实现安全隔离,极大的提高了各项电器性能与机械性能。

    3、DHMQ1开关整体设计为金属外壳,小巧坚固。DHMQ1开关,控制部分为金属外壳,开关外壳部件采用玻璃纤维不饱和聚脂树脂制造,具有较强的介电性能、防护能力和可靠的操作安全性。

    4、开关适用于供电系统的主电源与备用电源之间自动转换或两台负载设备的自动转换及安全隔离等。

    5、开关造型美观、新颖、简洁、体积小、功能全、是不同场合的理想选择。



    自动转换开关推荐阅读:

    kbo控制与保护开关原理和功能



  • 双电源自动转换开关技术参数:

    接线方式板前接线

    转换方式:电网对电网、电网对发电机、自投自复

    产品壳架:100250400630100012501600200025003200

    开关符合:IEC947-6-1  GB14048.11-2008

    额定工作电压(Ue):AC440V

    额定接通能力(A Rms):10Ie

    额定分断能力(A Rms):8Ie

    控制电源电压:DC24V、48V、110V,AC220V

    富联娱乐
双电源自动转换开关参数




Copyright 2006-2019 富联娱乐_富联平台-官方平台注册 致力于DH-A及富联娱乐消防系列 电气火灾监控系统 富联娱乐用电管理系统 富联娱乐消防云平台 富联娱乐断路器 电气火灾监控设备 防火门监控系统 消防设备电源监控系统多功能电力仪表, 控制与保护开关 双电源自动切换开关的研发生产 All Rights Reserved

违法和不良信息举报中心 网络110报警服务 中国互联网协会

富联娱乐